AG集团

所有产品
  • ONPOW2630K-11E/
  • ONPOW2630K-11E/

ONPOW2630K-11E/

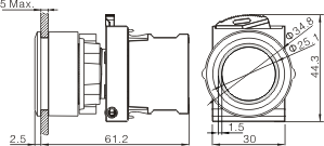
• 安装直径:φ30mm

• 头部形状:超薄头部(高2.5mm)

• 触点结构:1NO1NC/1NO/1NC(零件号说明中的其他选项)

• 操作类型:自复/自锁

• 颜色:红/绿/蓝/黄/白

• 带灯电压:交直流6V/12V/24V/110V/220V

• 认证:CCC、CE

 

如果您有定制需求,请联系ONPOW!

重要参数

1.开关额定值:Ui:660V,Ith:10A

2.机械寿命:≥1,000,000 次循环
3.电气寿命:≥50,000 次循环
4.接触电阻:≤50mΩ
5.绝缘电阻:≥100MΩ(500VDC)
6.最高耐压:3,000V,交流50Hz,1分钟
7.工作温度:-25℃~55℃(无冰冻)
8.操作压力:约6.5N(1NO1NC),约11.5N(2NO2NC)
9.操作行程:约5.5毫米(按钮)
10.前面板防护等级:IP40(IP65可定制)

ONPOW2630K-11E.png


材料:

1.触点材质:银合金

2.头部: 铝合金+PC

3.壳体:PA

4.底座:PA